U型中线软密封重型大口径法兰蝶阀

产品及应用领域
水&水处理
海水淡化
灌溉
分区冷却系统
电力 / 脱硫
石油冶炼&油田
用船
钢铁
铝制
采矿
化工
超纯净水
制药
食品处理
饮料
酿造 / 酒
制糖
纸浆 / 造纸
总体设计
1、双向密封,零泄漏。
2、全衬橡胶阀座,完全隔离阀体与管道内介质。由于阀体不接触介质,因此在管内介质带有腐蚀性的情况下,也无需考虑阀体材质的耐腐性能。
3、干轴设计,阀杆与管内介质完全隔离,无需考虑阀轴材质的耐腐性能,选择标准阀杆材料即可。
4、实际操作扭矩值普遍低于行业标准,大大降低了电动/气动执行器的使用成本。
5、重量轻,结构短。整体铸造的吊装支架使大口径蝶阀可以3个方向站立 ,更于现场摆放、吊装及安装。
6、全通径设计, Cv 值高。
7、使用寿命长。
设计亮点
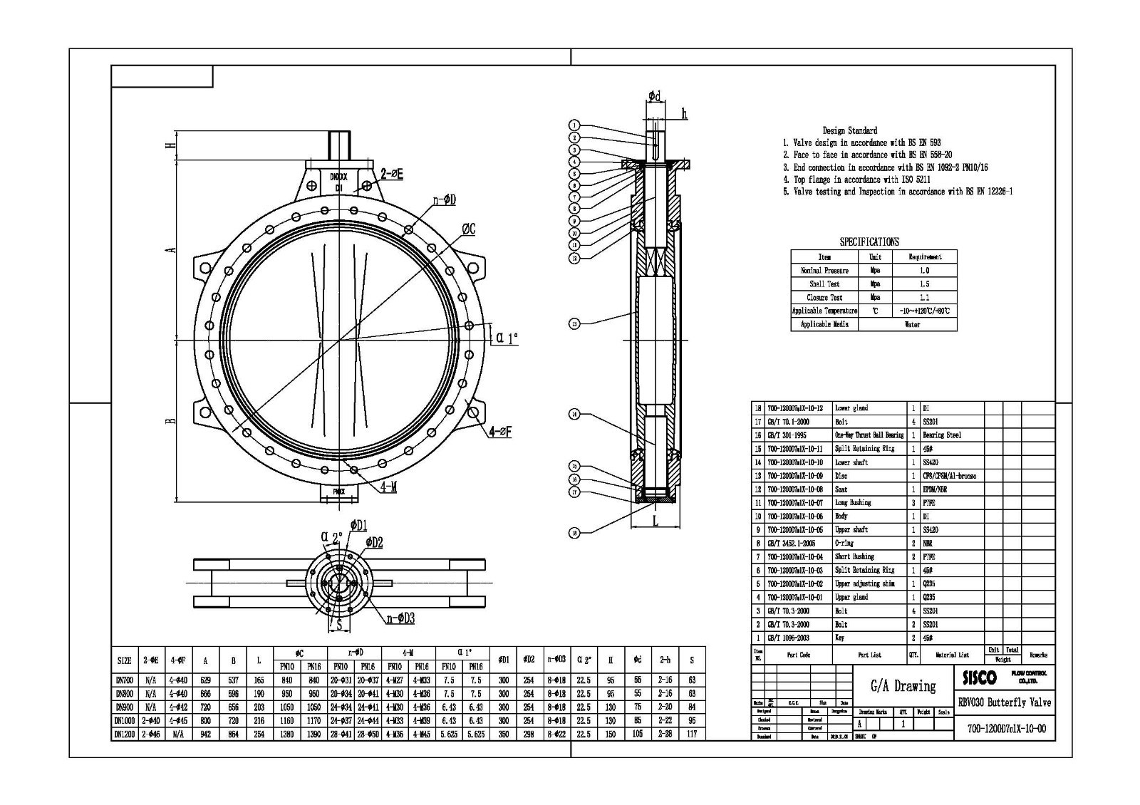
阀体
对夹式整体全法兰结构。所高阀体钻孔完全符合 AWWAC207 、ASME B16.1 CL125、ASME B16.5 CL150、DIN PN10/16 或真他国际法兰标准。可以选择通孔螺纹攻丝以用于管线末端服务。
阀板
高强度铸件,阀板边缘经球面加工并进行手工抛光,阀座双向密封 ,具有操作扭矩低、 阀座使用寿命长的特点。流线型设计的阀板外形减小了流阻,增加了CV值,并且增强了 压力恢复能力。阀板外径间隙可满足与所有标准的管道连接。
阀座
三种类型阀座供客户选用,分别是骨架式阀座、无骨架阀座末日硫化阀座。被完全包覆的 阀体内部完全与管内介质隔离,阀座端面模压的水线,不需要在安装时另加法兰垫片。
RBV030 系列阀门阀座的标准材质是EPDM。 EPDM 是 Ethylene Propylene Diene Monomer 的英文字母缩写。在一般工业领域,EPDM也有其他的名字,如 : EPT, Nordel,ECD或者 EPR都是EPDM材料。EPDM作为衬胶蝶阀的标准阀座材料,用途较为广泛,也是较为经济的阀座材料。而且 EPDM 的应用领域比 BUNA-N 更为广泛。
当然,根据不同的工作环境,工况和温度,SISCO 也可以为客户量身走做真他不同材质的阀座。
阀杆
依托中线蝶阀的结构特性和轴向密封设计,RBV030 具备的干轴设 计特点使阀杆与介质完全隔离。替代了高防腐蚀阀杆材质,因此 采用标准阀杆材质即可。
单轴无销和双轴无销可供客户选怪。阀板与阀杆连接经过精密的 加工,确保消除了联动滞后现象,所有的连接设计产生了非常大的强度结合。此外,SISCO 所高阀杆真奇防吹出特点。
阀板/阀杆设计可以防止灰尘颗粒和细菌驻留,能够很好的应用 于卫生领域。
对于双轴无销设计,精确的对边扁式或方形阀杆端与阀板连接驱动词板无需螺丝和销钉,紧密配合的对边扁式或万形阀杆端来驱动词恨,以此为 SISCO 独奇的设计特点。阀门拆卸时只要将|词杆从阀板中拨出即可。
主密封相第二密封
这类密封完全把流体介质和阀体、阀杆相隔离。主密封是通过机
械加工和手工抛光的阀板肩部与阀座的内表面的预压接触来获得 的。欠密封是由阀杆和阀座孔的过盈配合获得的。

材质:
阀板/阀座材质的提供根据不同介质和工况而不同。根据不同的工况和介质,RBV030系列提供不同的材料配置。SISCO专业的销售工程师根据客户的具体要求提供给您最专业的建议和服务。
| 部件 | 材料 |
阀体 | 球墨铸铁DN450-DN1800 铸钢WCB、不锈钢CF8/CF8M |
| 阀体喷涂 | 环氧树脂静电喷涂 |
| 阀板 | CF8/CF8M不锈钢 |
超级双相不锈钢 球墨铸铁 | |
| 铝青铜 | |
| 阀板表面处理 | 尼龙喷涂 Halar涂层 环氧树脂喷涂 |
| 阀杆 | 304/316不锈钢 416/420不锈钢 超级双相不锈钢 蒙乃尔 |
| 阀座 | NBR(丁腈橡胶) EPDM(三元乙丙)/三元乙丙食品级 |
| 氟橡胶 |
总装图


