对夹中线软密封蝶阀

RBV010 系列
中线软密封蝶阀
RBV010 系列对夹中线软密封蝶阀,该系列产品的设计满足工业应用的严格要求, 在不同工况下性能稳定。
■ H 系列
对夹中线硬靠背 2”-24” (DN50-DN600)


■ C1 系列
对夹中线软靠背 2”-24” (DN50-DN600)


■ C2 系列
加长颈对夹中线软靠背 2”-24” (DN50-DN600)
加长的阀颈满足管线加保温层操作的要求,安装操作机构简便。


公司和产品




应用领域
水& 水处理
海水淡化
灌溉
分区冷却系统
电力/ 脱硫
石油冶炼& 油田
船用
钢铁
制铝
采矿
化工
超纯净水
制药
食品加工
饮料
酿造/ 酒
制糖
纸浆/ 造纸
HAVC
工作环境和材料配置
■ 适用温度
选择不同阀座材质,RBV010 系列蝶阀可广泛应用于各种工作温度环境下。
材质 | 工作温度 |
EPDM ( 乙丙橡胶) | -4 ℉ (-20℃ ) ~ 248 ℉ (120℃ ) |
BUNA-N ( 丁腈橡胶 ) | -4 ℉ (-20℃ ) ~ 248 ℉ (120℃ ) |
Viton ( 氟橡胶) | -22 ℉ (-30℃ ) ~ 392 ℉ (200℃ ) |
PTFE-Lined EPDM -Standard ( PTFE 包覆EPDM – 标准温度) | -4 ℉ (-20℃ ) ~ 248 ℉ (120℃ ) |
PTFE-Lined EPDM–High-Temp ( PTFE 包覆EPDM – 高温) | -4 ℉ (-20℃ ) ~ 302 ℉ (150℃ ) |
Virgin PTFE&Conductive PTFE ( 纯PTFE 和传导性PTFE ) | 0 ℉ (-18℃ ) ~ 392 ℉ (200℃ ) |
UHMWPE ( 超高分子) | 0 ℉ (-18℃ ) ~ 185 ℉ (85℃ ) |
■ 材质
阀板/ 阀座材质的提供根据不同介质和工况而不同。根据不同的工况和介质, RBV010 系列提供不同的材料配置。SISCO 专业的销售工程师根据客户的具体要求提供给您最专业的建议和服务。
■ 材料配置表
部件 | 材料 |
阀体 | 球墨铸铁DN50-DN60 |
铸钢 WCB,不锈钢 CF8 / CF8M | |
阀体喷涂 | 环氧树脂静电喷涂 |
阀板 | CF8/CF8M 不锈钢 |
超级双相不锈钢 | |
球墨铸铁 | |
铝青铜 | |
阀板表面处理 | 电镀 |
尼龙喷涂 | |
Halar 涂层 | |
环氧树脂喷涂 | |
阀杆 | 304/316 不锈钢 |
416/420 不锈钢 | |
超级双相不锈钢 | |
蒙乃尔 | |
阀座 | NBR ( 丁腈橡胶) |
EPDM ( 三元乙丙) / 三元乙丙食品级 | |
氟橡胶、硅橡胶 | |
PTFE |
总体设计特点
国际标准兼容性
双向密封
全衬胶阀座设计
干轴防吹出设计
操作扭矩小
便捷安装及更换
全通径设计
A 国际标准兼容性
■ 上法兰:RBV010 系列蝶阀上法兰满足ISO5211 标准,可安装手柄和蜗轮手动操作机构,气动和电动执行机构,无需任何支架。现场安装简易, 减小了误差和总体高。
■ 侧法兰:兼容性连接设计。该系列蝶阀端部连接标准可同时满足DINPN10/16 和ASME Class150。
B 双向密封
■ 中线软密封设计特点。该系列蝶阀具有双向密封,零泄漏的特点。安装时不受介质流向限制,操作灵活,安装方便,尤其用在气体时, 必须要求100% 密封零泄漏。
C 全衬胶阀座设计
■ 全衬胶阀座能够完全将阀体与管道内介质隔离,因此阀体没有必要采用昂贵的防腐蚀材料,标准防腐蚀材料即可,从而大大降低了成本。
D 干轴防吹出设计
■ RBV010 系列蝶阀阀杆为干轴设计,替代了高防腐蚀阀杆材质。依托中线蝶阀的结构特性和轴向的密封设计,阀杆与介质完全隔离,因此采用标准阀杆材质即可。
E 操作扭矩小
■ 精确计算的阀板、阀座过盈配合以及抛光的阀板密封面大幅度降低了操作扭矩,使得操作更加便捷省力,选择更加合理的执行器,从而降低成本。
F 便捷安装及更换
■ 重量更轻,体积更小使现场安装更加便捷。
■ 拆卸RBV010 系列阀门的内部连接操作十分简单,只需要将阀轴从阀板中抽出,更换更加便捷。
G 全通径设计
■ RBV010 系列阀门的全通径设计最大程度上增加了流量系数,使流量损失降到最低。
设计亮点
■ 阀体
整体对夹式设计。所有阀体钻孔可同时满足DIN PN10,DIN PN16 和ASME Class150 标准。 上法兰连接满足ISO5211 标准,可直接安装手动操作机构和气动/ 电动执行机构。
■ 外部涂层
SISCO 提供的标准产品阀体是静电环氧树脂喷涂, 具有很好的抗腐蚀性和耐磨性。
锤纹漆喷涂、尼龙涂层、聚苯硫醚火焰喷涂(PPS)、Halar 涂层、防结露涂层,可同时供客户选用。


镀锌喷涂 环氧树脂喷涂

锤纹漆喷涂


加工后的阀体,为了达到完美的喷涂效果,在环氧树脂喷涂之前, 阀体要先进行镀锌程序,这是SISCO 喷涂标准程序。对于客户的特殊要求,可用喷砂和酸洗方法替代镀锌,从而节约成本。
SISCO 可根据客户的要求提供其他涂层,请根据实际应用联系销售代表。
■ 阀板
高强度铸件,阀板边缘经球面加工并进行手工抛光,操作扭矩低、阀座使用寿命长。流线型设计的阀板外形减小了流阻,增加了Cv 值, 并且增强了压力恢复能力,从而提高阀门性能。阀板外径间隙可满足与所有标准的管道连接。



阀座
RBV010-H 系列蝶阀采用“骨架式”橡胶阀座设计,骨架材质有酚醛树脂和铝可供客户选用。
C1&C2 系列采用“沟槽式”橡胶阀座设计,阀座端面有模压成一体的水线,不需要在安装时另加法兰垫片。具有阀座安装牢固、更换方便快捷、扭矩小等特点。
EPDM 是Ethylene Propylene Diene Monomer 的英文字母缩写。在一般工业领域,EPDM 也有其他的名字,如:EPT, Nordel, ECD 或者EPR 都是EPDM 材料。EPDM 作为衬胶蝶阀的标准阀座材料,用途较为广泛,也是较为经济的阀座材料,而且EPDM 的应用领域比BUNA-N 更为广泛。SISCO 的EPDM 食品级阀座通过了WRAS 认证,适用于食品加工领域和标准工业领域。根据需要我公司可以提供两种阀座设计如下。
软靠背阀座:


硬靠背阀座:

■ 阀杆
通轴无销和双轴无销设计可根据客户要求提供。依托中线蝶阀的结构特性和轴向密封设计,RBV010 具备的干轴设计特点使阀杆与介质完全隔离。替代了高防腐蚀阀杆材质,因此采用标准阀杆材质即可。
阀板与阀杆连接经过精密的加工,确保消除了滞后现象,所有的连接设计产生了非常大的强度结合。此外,阀杆具有防吹出特点。
阀板/ 阀杆设计可以完全杜绝灰尘颗粒和细菌驻留,能够很好的应用于卫生领域。为了具有更好的防腐蚀和耐磨性能,阀板/ 杆完全包裹在EPDM 或 BUNA-N 中。
对于双轴无销设计,精确的对边扁式或方形阀杆端与阀板连接驱动阀板,无需螺丝和销钉。紧密配合的对边扁式或方形阀杆端来驱动阀板为SISCO 独有的设计特点。
阀门拆卸时只要将阀杆从阀板中拔出即可。
■ 防吹出设计:一个定位环安装在经过加工的阀杆槽和上密封之间,当意外事件导致内部发生故障时,能保持阀杆定位。
■ 轴套:防腐蚀的酚醛树脂 / PTFE 轴套能够吸收侧向推力。轴套材质也可选择黄铜。
■ 主密封和第二密封:这类密封完全把流体介质和阀体、阀杆相隔离。主密封是通过机械加工和手工抛光的阀板肩部与阀座的内表面的预压接触来获得的。次密封是由阀杆和阀座孔的过盈配合获得的。自调式“三倍O 型圈”密封设计,可保证双向密封,防止外来物质进入阀杆腔内。
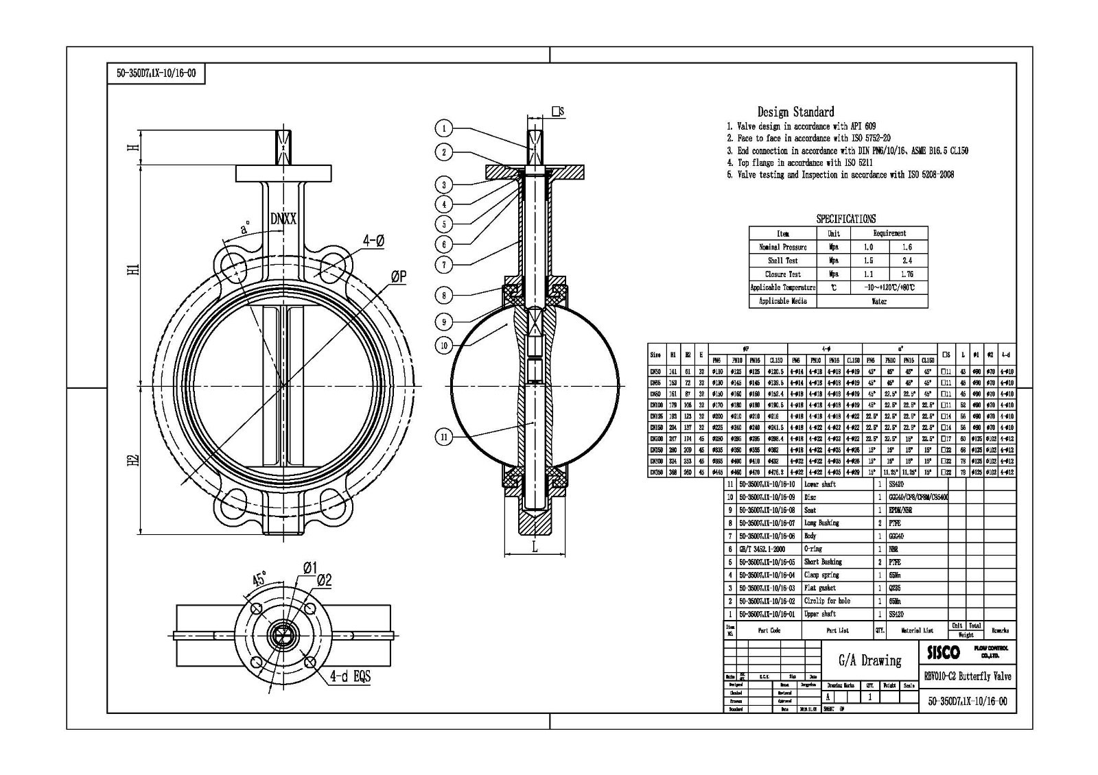
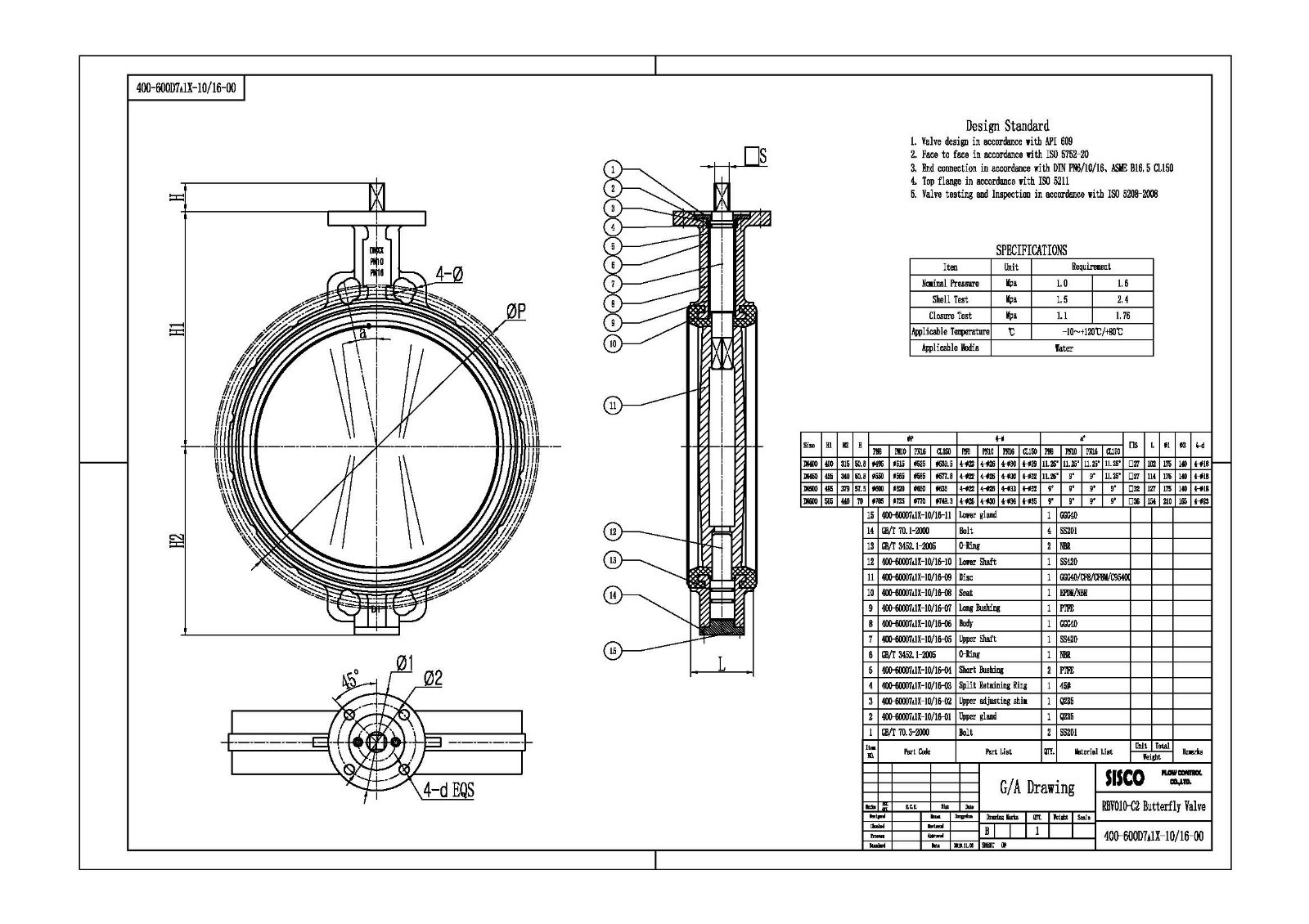
总装图



