凸耳中线软密封蝶阀

RBV020 系列
凸耳中线软密封蝶阀
RBV020 系列凸耳中线软密封蝶阀,该系列产品的设计满足工业应用的严格要求, 在不同工况下性能稳定。
■ H 系列
凸耳中线硬靠背 2”-24” (DN50-DN600)


■ C2 系列
凸耳中线软靠背 2”-24” (DN50-DN600)
软靠背阀座的设计使阀门的安装拆卸更加便捷。

应用领域
RBV020 系列为SISCO16 公斤级凸耳式中线软密封蝶阀, 适用于管道对夹以及管道末端安装。
水& 水处理
海水淡化
灌溉
分区冷却系统
电力/ 脱硫
石油冶炼& 油田
船用
钢铁
制铝
采矿
化工
超纯净水
制药
食品处理
饮料
酿造/ 酒
制糖
纸浆/ 造纸
HAVC
总体设计
1、双向密封,零泄漏。
2、全衬橡胶阀座,完全隔离阀体与管道内介质。由于阀体不接触介质,因此在管内介质带有腐蚀性的情况下,也无需考虑阀体材质的耐腐性能。
3、干轴设计,阀杆与管内介质完全隔离,无需考虑阀轴材质的耐腐性能,选择标准阀杆材料即可。
4、操作扭矩低。
5、重量轻,便于安装和维修。
6、全通径设计大幅度提高流量系数,满足管内介质高效流动。
设计亮点
■ 阀体:整体铸造阀体,凸耳式设计。可用于管道对夹安装以及管道末端安装。上法兰连接满足ISO5211 标准,兼容手动操作执行机构和气动/ 电动执行机构的直接安装。
■ 阀板:高强度铸件,阀板边缘为机加工的球面,并进行手工抛光或整个阀板尼龙喷涂或包覆橡胶,操作扭矩低、阀座使用寿命长。流线型设计的阀板外形减小了流阻,增加了Cv 值,并且增强了压力恢复能力。
■ 阀座:SISCO 的“沟槽式”阀座设计,将阀体和阀杆与管内介质完全隔离, 扭矩值低。阀座上有模压成一体的水线,不需要在安装时另加法兰垫片。阀座是特别为松套法兰或焊接式法兰而设计。
■ 阀杆:通轴无销和双轴无销设计可根据客户要求提供。
依托中线蝶阀的结构特性和轴向密封设计,RBV020 具备的干轴设计特点使阀杆与介质完全隔离。替代了高防腐蚀阀杆材质,因此采用标准阀杆材质即可。
阀板与阀杆连接经过精密的加工,确保消除了联动滞后现象,所有的连接设计产生了非常大的强度结合。SISCO 所有阀杆具有防吹出特点。
对于双轴无销设计,精确的对边扁式或方形阀杆端与阀板连接驱动阀板,无需螺丝和销钉,紧密配合的对边扁式或方形阀杆端来驱动阀板,此为SISCO 独有的设计特点。
■ 轴套:防腐蚀的酚醛树脂 / PTFE 轴套能够吸收侧向推力。轴套材质也可选择黄铜。
■ 防吹出设计:一个定位环安装在经过加工的阀杆槽和上密封之间,当意外事件导致内部发生故障时,能保持阀杆定位。
■ 主密封和第二密封:这类密封完全把流体介质和阀体、阀杆相隔离。主密封是通过机械加工和手工抛光的阀板肩部与阀座的内表面的预压接触来获得的。次密封是由阀杆和阀座孔的过盈配合获得的。自调式“三倍O 型圈“密封设计, 可保证双向绝对密封,防止外来物质进入阀杆腔内。
■ 执行器安装:基于模块化概念设计, SISCO 执行器包括手柄,蜗轮减速器,气动和电动执行器, 都可以直接与SISCO 对夹中线软密封蝶阀安装,无需任何支架。现场安装简便, 减小了误差和总体高度。
工作环境和材料配置
■ 适用温度
选择不同阀座材质,RBV020 系列蝶阀可广泛应用于各种工作温度环境下。
材质 | 工作温度 |
EPDM ( 乙丙橡胶) | -4 ℉ (-20℃ ) ~ 248 ℉ (120℃ ) |
BUNA-N ( 丁腈橡胶 ) | -4 ℉ (-20℃ ) ~ 248 ℉ (120℃ ) |
Viton ( 氟橡胶) | -22 ℉ (-30℃ ) ~ 392 ℉ (200℃ ) |
PTFE-Lined EPDM -Standard ( PTFE 包覆EPDM – 标准温度) | -4 ℉ (-20℃ ) ~ 248 ℉ (120℃ ) |
PTFE-Lined EPDM–High-Temp ( PTFE 包覆EPDM – 高温) | -4 ℉ (-20℃ ) ~ 302 ℉ (150℃ ) |
Virgin PTFE&Conductive PTFE ( 纯PTFE 和传导性PTFE ) | 0 ℉ (-18℃ ) ~ 392 ℉ (200℃ ) |
UHMWPE ( 超高分子) | 0 ℉ (-18℃ ) ~ 185 ℉ (85℃ ) |
■ 材质
阀板/ 阀座材质的提供根据不同介质和工况而不同。根据不同的工况和介质, RBV020 系列提供不同的材料配置。SISCO 专业的销售工程师根据客户的具体要求提供给您最专业的建议和服务。
■ 材料配置表
部件 | 材料 |
阀体 | 球墨铸铁DN50-DN600 |
铸钢 WCB,不锈钢 CF8 / CF8M | |
阀体喷涂 | 环氧树脂静电喷涂 |
阀板 | CF8/CF8M 不锈钢 |
超级双相不锈钢 | |
球墨铸铁 | |
铝青铜 | |
阀板表面处理 | 电镀 |
尼龙喷涂 | |
Halar 涂层 | |
环氧树脂喷涂 | |
阀杆 | 304/316 不锈钢 |
416/420 不锈钢 | |
超级双相不锈钢 | |
蒙乃尔 | |
阀座 | NBR ( 丁腈橡胶) |
EPDM ( 三元乙丙) / 三元乙丙食品级 | |
氟橡胶 | |
硅橡胶 |
产品规格
口径:DN50 (2 In)-DN600 (24 In)
压力: PN6 / 10 / 16
端部连接满足国际常用标准例如:
BS4504 PN10/PN16 或DIN PIN10/PN16 或EN1092 PN10/PN16 或ASME CLASS 125, CLASS 150,也可依据客户的要求,按照其他标准进行加工。
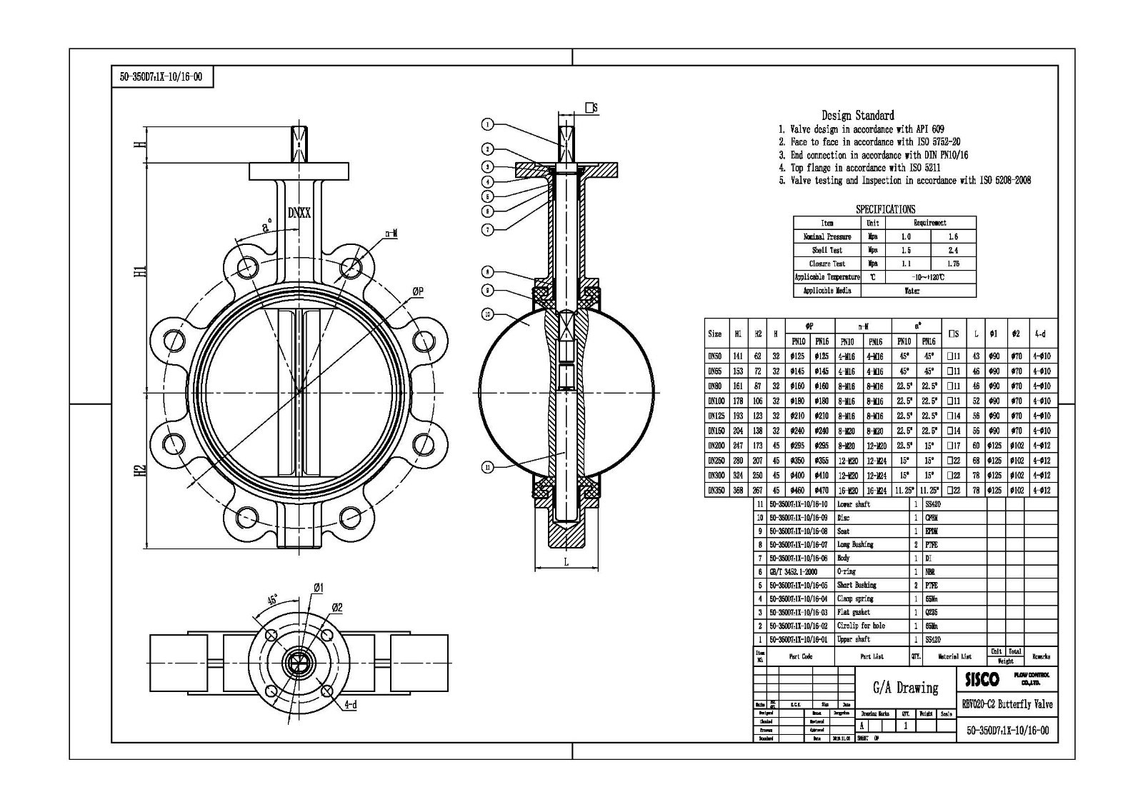
总装图



